HW tvrdokovové žiletky speciální (stránka 2)

Speciální HW žiletky k použití ve frézovacích hlavách. Speciální profilové nože a tvrdokovové žiletky se hodí do profesionální dílny i pro hobby použití.

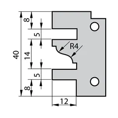
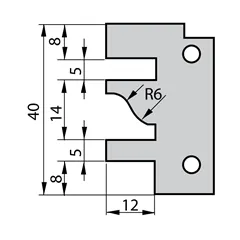
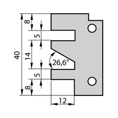
V kategorii Speciální HW žiletky najdete profilové nože typu A–H, speciální břity a HW žiletky s různými rozměry a rádiusy pro konkrétní typy frézovacích hlav a nástrojů. Speciální HW žiletky vynikají dlouhou životností, přesným profilem, snadnou výměnou a flexibilním použitím pro různé profily a tvary. Hodí se pro práci zejména s masivním dřevem, MDF, laminem, dřevotřískou a dalšími deskovými materiály na bázi dřeva. Speciální HW žiletky značky IGM a CMT představují spolehlivou volbu pro přesné profilování a tvarování hran při sériové i zakázkové výrobě.

Ceny jsou v Kč včetně DPH